A6 Mastertrac A6TF (SAW)是一款四轮驱动的自动化焊接设备。机动性高,能够轻松地在焊接工作站之间移动,装配方便、快捷。
A6 Mastertrac满足重型焊接生产要求,使用1500A直流或交流电源时,可焊接最大直径为6mm的焊丝。搭配LAF或TAF焊接电源配合使用。
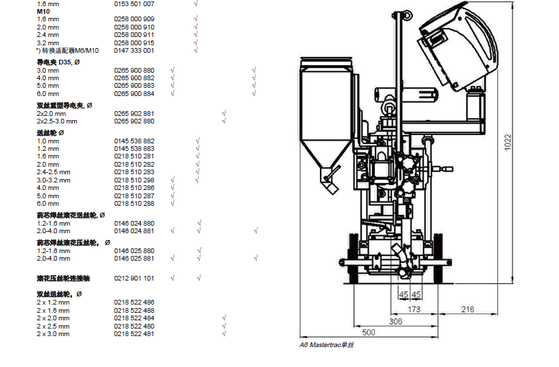
A6 Mastertrac 能提供三种不同的配置版本:单丝、双丝或Tandem 双丝。 单丝与双丝两种版本可配置标准或高速电机。
大大提高生产效率,我们还提供以下各类附件:
- 带极堆焊工具包
- 电弧气刨工具包
- 适用于任何对接焊缝焊剂嘴
- 指示灯,以光点标示焊接位置
- 备用空载滚轮
- 备用导向轮
- 带磁性紧固装置的导轨,适用于没有导向边的工况条件
Tandem–多丝系统
Tandem-multi-electrode system
使用多丝系统后,由于熔敷率的升高,大大增加了您的生产力。通过选择不同的交、直流电流组合,A6 Tandem双丝Mastertrac装置能满足各类焊接作业的要求,并实现生产力的提升。

高效双电弧工艺
The highly productive Twin-arc process
增加简单的双电弧附件后,您可以将A6单丝小车装置转化为高效角接与对接焊接的自动化双弧焊接设备,而无需外加任何设备。
药芯焊丝焊接–先进的焊接工艺
Welding with cored wire - a modern weld process
A6装置能使用实芯和药芯焊丝,实现各种钢材、铝材的气体保护金属弧焊。通过转换套件,单丝埋弧焊Mastertrac装置还可以进行改装。
伊萨A2-A6过程控制器的程序精确
Programmed precision with ESAB’s A2-A6 Process Controller
它是带数字显示屏的数控装置,可存储255组焊接参数,实现快速编程和对所有参数的控制。无需试焊,焊接过程中也可以实现参数的任意调节。

